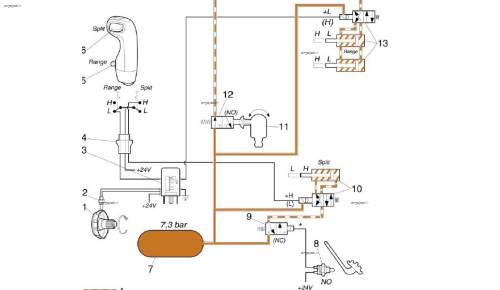
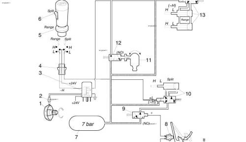
کتابچه ی راهنمای گیربکسهای gr801 gr900 grs890 grs900 grs920 grsh900 grso900
سفارش ترجمه ی فایل پذیرفته می شود
توضیح و آموزش تلفنی کتابچه ها پذیرفته می شود
سفارش ترجمه پذیرفته می شود
تماس با ارسال پیام به 09991477444
فایل دمو
توضیحات دمو: نیاز نمیباشد
حجم دمو:22 کیلوبایت
دانلود دمو
توجه:
-
کاربران گرامی، بعد از خرید، میتوانید تا یک هفته فایل خریداری شده را تست نمایید. در صورتی که هر گونه تفاوتی با توضیحات ارائه شده وجود داشته باشد، از بخش
"گزارش تخلف"
استفاده کنید و درخواست بازگشت مبلغ را ثبت کنید.
-
در صورتی که سؤال تخصصی در مورد پروژه دارید، با فروشنده پروژه از بخش "فروشنده محصول" در تماس باشید.
-
برای خرید نیاز به ثبت نام نمی باشد.
-
شماهم میتوانید فایل های الکترونیکی خود را رایگان برای فروش قرار دهید.
elmira
1398/5/26 4:41 PM
بسیار آموزنده
حسن
1398/10/23 4:07 AM
عالیییییییی
یک بررسی بنویسید