زنجیره بوتدین و فرایند bdh

فرایند تولید بوتادین و bdh تولید بوتادین


فرایند تولید بوتادین و bdh تولید بوتادین


چارت مشتقات نفت و اتان شکل 1و2 ..............................................................................................صفحه 2و3

نقشه های تولید بوتادین ..........................................................................................................صفحه 4 الی 14

نقشه های تولید :

1. نقشه سیستم هوادهی و استخراج نیتروژن ............................................................................ صفحه 5

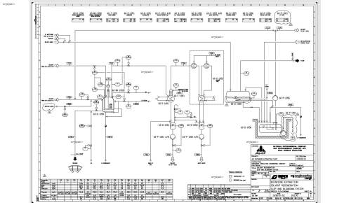
2. ایستگاه بازدارنده ذخیره حلال بوتادین.................................................................................. صفحه 6

3. سیستم اب خنک کننده استخراج بوتادین................................................................................ صفحه 7

4. نمودار جریان فرایند شیب وسیستم دمش باز افرینی و اسخراج حلال بوتادین..................................... صفحه 8

5. فشرده سازی و گاز زدایی با استخراج بوتادین........................................................................ صفحه 9

6. تقطیر با استخراج بوتادین.............................................................................................. صفحه 10

7. شستشوی اصلی تبخیر استخراج بوتادین.............................................................................. صفحه 11

8. یکسو کننده استخراج بوتادین پس از شستشو......................................................................... صفحه 12

9. سیستم استخراج و میعانات بوتادین بخار............................................................................ صفحه 13

10. سیستم های استخراج اب بوتادین.................................................................................. صفحه 14


1

دیاگرام تولید بوتادین شکل 11و12............................................................................................ صفحه 15 و16


: Pfd تولید

شکل 13 و 14 .......................................................................................................صفحه 17و18

کمپانی و شرکت های تولید کننده بوتادین .......................................................................................... صفحه 19

روش های تولید شرکت های تولید کننده بوتادین ................................................................. صفحه 19 و20و21

BDH فرایند

شکل 15 .....................................................................................................................صفحه 22


1

صفحه 23 الی 25 نحوه فرایند BDH



فایل دمو

توضیحات دمو: فایل فهرست پروژه
حجم دمو:110 کیلوبایت
دانلود دمو


توجه:

- کاربران گرامی، بعد از خرید، می‌توانید تا یک هفته فایل خریداری شده را تست نمایید. در صورتی که هر گونه تفاوتی با توضیحات ارائه شده وجود داشته باشد، از بخش "گزارش تخلف" استفاده کنید و درخواست بازگشت مبلغ را ثبت کنید.
- در صورتی که سؤال تخصصی در مورد پروژه دارید، با فروشنده پروژه از بخش "فروشنده محصول" در تماس باشید.
- برای خرید نیاز به ثبت نام نمی باشد.

- شماهم میتوانید فایل های الکترونیکی خود را رایگان برای فروش قرار دهید.